首页
公司介绍
新闻中心
组织机构
服务理念
售后服务
联系我们
产品中心
jtgk.png

产品中心

D371X软密封蝶阀

您的位置:阀门 - 蝶阀 - D371X软密封蝶阀 更新时间:2024-07-27 09:07:19
D371X软密封蝶阀
    • 质量安全:压力、材质、密封等全方位检测确保质量过关!
    • 价格比较:在相同品质的情况下,厂里直销,更具有优势!
    • 交货快捷:常规产品现货供应,生产加工销售一条龙服务!
      上海凯利科阀门竭诚为您提供安全可靠的D371X软密封蝶阀成套技术方案,以及售前选型报价,售后技术指导、安装、调试服务!

    • 产品描述
    • 在线询价
    • 技术咨询
    D371X软密封蝶阀D371X软密封蝶阀

    D371X软密封蝶阀该产品由橡胶或四氟密封蝶阀和碳钢或不锈钢阀板、阀杆构成。适用于温度≤80~120℃如食品、医药、化工、石油、电力、轻纺、造纸等给排水、气体管道上作调节流量和截流介质的作用。

    产品名称: 软密封蝶阀 产品型号: D371X
    公称通径: DN50~DN1000 阀座密封: 橡胶、四氟
    公称压力: 1.0Mpa~1.6MPa 连接方式: 对夹、法兰
    适用温度: -20ºC~+150ºC 驱动方式: 手动、蜗轮、电动、气动
    阀体材质: 铸铁、球墨铸铁、铸钢、不锈钢 制造标准: 国标GB、德国DIN、美国API、ANSI
    适用介质: 水、油、气体、粉体、液体 生产厂家: 上海凯利科阀门有限公司

    产品说明

    D371X软密封蝶阀该产品由橡胶或四氟密封蝶阀和碳钢或不锈钢阀板、阀杆构成。适用于温度≤80~120℃如食品、医药、化工、石油、电力、轻纺、造纸等给排水、气体管道上作调节流量和截流介质的作用。

    产品特点

    1、密封件可以更换,密封性能可靠达到双向密封零泄漏。
    2、操力矩小,操作方便,省力灵巧。
    3、可以任何位置安装,维修方便。
    4、设计新颖、合理、结构独特,重量轻,启闭迅速。
    5、密封材料耐老化、耐弱腐蚀,使用寿命长等特点。

    主要技术参数

    公称通径 DN(mm) 50~2000
    公称压力 PN(MPa) 0.6 1.0 1.6
    试验压力 强度试验 0.9 1.5 2.4
    密封试验 0.66 1.1 1.76
    气密封试验 0.6 0.6 0.6
    适用介质 空气、水、污水、蒸气、煤气、油品等。
    驱动形式 手动、蜗杆蜗轮传动、气动、电动。

    主要零件材料

    零件名称 材料
    阀体 球墨铸铁、铸钢、合金钢、不锈钢
    蝶板 不锈钢2507、1.4529、球铁衬胶及特殊材料
    密封圈 各种橡胶、聚四氟
    阀杆 2Cr13、不锈钢
    填料 O型圈、柔性石墨O

    密封材料选用和适用温度

    材料品种 氯丁橡胶 丁晴橡胶 乙丙橡胶 聚四氟乙烯 硅橡胶 氟橡胶 天然橡胶
    英语简称 CR NBR EPDM PTFE SI VITON NR
    型号代号 X或J XA或JA XB或JB F或XC、JC XD或JD XE或JE X1
    耐最高温度 82℃ 93℃ 150℃ 232℃ 250℃ 204℃ 85℃
    耐最低温度 -40℃ -40℃ -40℃ -268℃ -70℃ -23℃ -20℃
    适用工作温度 0~+80℃ -20~+82℃ -40~+125℃ -30~+150℃ -70~+150℃ -23~+150℃ -20~+85℃

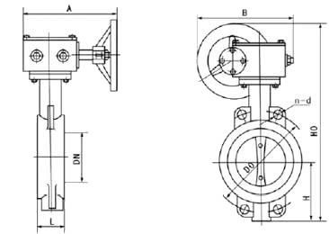
    外形结构图

    主要外形连接尺寸

    DN 主 要 外 形 尺 寸 主 要 连 接 尺 寸
    0.6 MPa 1.0 MPa 1.6 MPa
    L H HO A B DO n-d DO n-d DO n-d
    50 43 63 306 180 200 110 4-14 125 4-18 125 4-18
    65 46 70 321 180 200 130 4-14 145 4-18 145 4-18
    80 46 83 346 180 200 150 4-18 160 8-18 160 8-18
    100 52 105 387 180 200 170 4-18 180 8-18 180 8-18
    125 56 115 411 180 200 200 8-18 210 8-18 210 8-18
    150 56 137 447 270 280 225 8-18 240 8-22 240 8-22
    200 60 164 572 270 280 280 8-18 295 8-22 295 12-22
    250 68 206 646 270 280 335 12-18 350 12-22 355 12-26
    300 78 230 738 380 420 395 12-22 400 12-22 410 12-26
    350 78 248 761 380 420 445 12-22 460 16-22 470 16-26
    400 102 289 877 450 470 495 16-22 515 16-26 525 16-30
    450 114 320 938 480 490 550 16-22 565 20-26 585 20-30
    500 127 343 993 480 490 600 20-22 620 20-26 650 20-33
    600 154 413 1131 480 490 705 20-26 725 20-30 770 20-36
    700 165 478 1476 640 660 810 24-26 840 24-30 840 24-36
    800 190 525 1533 640 660 920 24-30 950 24-33 950 24-39
    900 203 585 1655 750 860 1020 24-30 1050 28-33 1050 28-39
    1000 216 640 1765 850 900 1120 28-30 1160 28-36 1170 28-42
    1200 254 755 1995 850 900 1340 32-33 1380 32-39 1390 32-48
     

    声明:【D371X软密封蝶阀】规格型号、结构尺寸由上海凯利科阀门有限公司提供,如何选择适用的D371X软密封蝶阀产品,使之在工艺控制中安全可靠、经济适用,可致电我司销售部门及技术部门,我们将在最短的时间内为您解答!

    Copyright ©2011-2022 上海凯利科阀门有限公司,版权所有。 沪ICP备11046016号-29 网站地图

    销售电话:021-31001158

    手机号码:13816746668 陈国辉/经理

    电子邮件:klkvalves@126.com@126.com

    主营产品:球阀,闸阀,蝶阀,截止阀,止回阀,调节阀

    本周热门:气动球阀气动蝶阀气动刀闸阀气动调节阀电动球阀电动蝶阀电动刀闸阀电动调节阀不锈钢球阀不锈钢闸阀不锈钢截止阀不锈钢止回阀不锈钢电磁阀高压电磁阀高压球阀波纹管截止阀

    官方网址:www.fm058.com