



H42H立式止回阀
H42H、H42W立式止回阀本系列阀门正常处于关闭状态,由于管线中进口端介质的压力作用,而克服弹簧阻力使阀门开启。当进口端介质压力低于出口端时,弹簧将阀芯推向阀座而使阀门关闭,阻止介质逆流,故起止回作用。由于采用弹簧支撑阀芯,故采用立式安装或卧式装均可。
| 产品名称: | 立式止回阀 | 产品型号: | H42H、H42W |
| 公称通径: | DN15~DN300 | 结构形式: | 立式 |
| 公称压力: | 1.6MPa~4.0MPa | 连接方式: | 法兰 |
| 适用温度: | -29ºC~+425ºC | 驱动方式: | 介质推动 |
| 阀体材质: | 铸铁、铸钢、不锈钢 | 标准: | 国标GB、德国DIN、美国API、ANSI |
| 适用介质: | 水、油、蒸汽、气体、液体 | 生产厂家: | 上海凯利科阀门有限公司 |
| 设计与制造 | GB/T12235 | |
| 连接端尺寸 | 结构长度 | GB/T12221 |
| 法兰尺寸 | JB/T79 | |
| 检验与试验 | JB/T9092 | |
| 材料 | 碳钢 | GB/T12229 |
| 不锈钢 | GB/T12230 | |
| 合金钢 | Q/ZB66 | |
| 标志 | GB/T12220 | |
| 供货 | JB/T7928 | |
| 型号 |
公称 压力 |
试验压力 | 工作温度(℃) | ||
|
强度 (水)Mpa |
密封 (水)空气(Mpa) |
低压密封 (空气)Mpa |
|||
| H42W/H-16C/P | 1.6 | 2.4 | 1.8 | 0.6 | ≤425 |
| H42W/H-25C/P | 2.5 | 3.8 | 2.8 | 0.6 | ≤425 |
| H42W/H-40C/P | 4.0 | 6.0 | 4.4 | 0.6 | ≤200 |
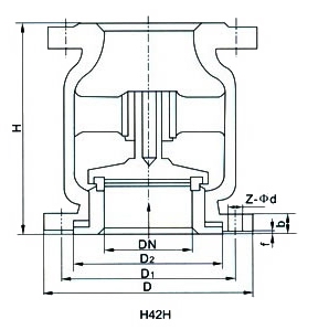
| 型号 | 公称通径 DN | 尺寸(mm) | ||||||
| L | D | D1 | D2 | H | b | Z-Φd | ||
|
H42W-16P H42H-16C |
15 | 130 | 95 | 65 | 45 | 77 | 14 | 4-14 |
| 20 | 150 | 105 | 75 | 55 | 77 | 14 | 4-14 | |
| 25 | 160 | 115 | 85 | 65 | 80 | 16 | 4-14 | |
| 32 | 180 | 135 | 100 | 78 | 85 | 16 | 4-18 | |
| 40 | 200 | 145 | 110 | 85 | 95 | 16 | 4-18 | |
| 50 | 230 | 160 | 125 | 100 | 105 | 16 | 4-18 | |
| 65 | 290 | 180 | 145 | 120 | 120 | 18 | 4-18 | |
| 80 | 310 | 195 | 160 | 135 | 130 | 20 | 8-18 | |
| 100 | 350 | 215 | 180 | 155 | 140 | 20 | 8-18 | |
| 125 | 400 | 245 | 210 | 185 | 155 | 22 | 8-18 | |
| 150 | 480 | 280 | 240 | 210 | 180 | 24 | 8-23 | |
| 200 | 600 | 335 | 295 | 265 | 215 | 26 | 12-23 | |
|
H42W-25P H42H-25C |
15 | 130 | 95 | 65 | 45 | 77 | 16 | 4-14 |
| 20 | 150 | 105 | 75 | 55 | 80 | 16 | 4-14 | |
| 25 | 160 | 115 | 85 | 65 | 85 | 16 | 4-14 | |
| 32 | 180 | 135 | 100 | 78 | 95 | 18 | 8-18 | |
| 40 | 200 | 145 | 110 | 85 | 105 | 18 | 8-18 | |
| 50 | 230 | 160 | 125 | 100 | 120 | 20 | 8-18 | |
| 65 | 290 | 180 | 145 | 120 | 130 | 212 | 8-18 | |
| 80 | 310 | 195 | 160 | 135 | 140 | 22 | 8-18 | |
| 100 | 350 | 230 | 190 | 160 | 155 | 24 | 8-23 | |
| 125 | 400 | 270 | 220 | 188 | 180 | 28 | 8-25 | |
| 150 | 480 | 300 | 250 | 218 | 215 | 30 | 8-25 | |
| 200 | 600 | 360 | 310 | 278 | 973 | 34 | 12-25 | |
声明:【H42H立式止回阀】规格型号、结构尺寸由上海凯利科阀门有限公司提供,如何选择适用的H42H立式止回阀产品,使之在工艺控制中安全可靠、经济适用,可致电我司销售部门及技术部门,我们将在最短的时间内为您解答! |