
DH61Y,DH61F低温止回阀
DH61Y、DH61F低温止回阀适用于介质单向流动的管路上,阻止介质回流,以防发生事故。主要用于LO2、LN2、LAr、LNG、LC2H4、乙烯、液氧、液氢、液氮、液氨、液态丙烷、液化天然气、液化石油产品等各类系统中防止介质回流。
| 产品名称: | 低温止回阀 | 产品型号: | DH61Y、DH61F |
| 公称通径: | DN10~DN200 | 结构形式: | 升降式、旋启式 |
| 公称压力: | 1.6MPa~32.0MPa | 连接方式: | 焊接、外螺纹、法兰 |
| 适用温度: | -40ºC ~ -196ºC | 驱动方式: | 介质推动 |
| 阀体材质: | LCB低温钢、不锈钢 | 标准: | 国标GB、德国DIN、美国API、ANSI |
| 适用介质: | 乙烯、液氧、液氢、液氮、液氨、液态丙烷 | 生产厂家: | 上海凯利科阀门有限公司 |
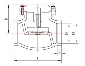
| 产品型号 | DH61F-16P-40P |
重量 (kg) |
||||
| 产品代号 |
通径 DN(mm) |
尺寸(mm) | ||||
| A | H | b | RA | |||
| DH61F-16P-25P-40P | 10 | 70 | 52 | 8 | 14.5 | 0.7 |
| DH61F-16P-25P-40P | 15 | 80 | 55 | 8 | 18.5 | 0.8 |
| DH61F-16P-25P-40P | 20 | 90 | 67 | 8 | 25.5 | 1.1 |
| DH61F-16P-25P-40P | 25 | 100 | 70 | 8 | 32.5 | 1.2 |
| DH61F-16P-25P-40P | 32 | 110 | 79 | 10 | 38.5 | 2.8 |
| DH61F-16P-25P-40P | 40 | 120 | 83 | 10 | 45.5 | 3.3 |
| DH61F-16P-25P-40P | 50 | 150 | 106 | 15 | 57.5 | 7.1 |
| DH61F-16P-25P-40P | 65 | 180 | 110 | 15 | 76.5 | 9.3 |
| DH61F-16P-25P-40P | 80 | 210 | 135 | 15 | 89.5 | 16.4 |
| DH61F-16P-25P-40P | 100 | 250 | 150 | 20 | 108.5 | 21.3 |
| DH61F-16P-25P-40P | 125 | 300 | 175 | 25 | 133.5 | 29.6 |
| DH61F-16P-25P-40P | 150 | 350 | 200 | 25 | 159.5 | 41.7 |
| DH61F-16P-25P-40P | 200 | 430 | 235 | 25 | 220 | 62.8 |
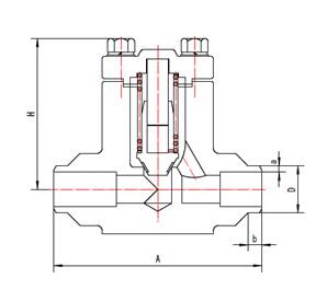
| 产品型号 | DH61Y-64P-320P |
重量 (kg) |
|||||
| 产品代号 |
通径 DN(mm) |
尺寸(mm) | |||||
| A | b | D | a | H | |||
| DH61F-64P-100P-160P-320P | 10 | 100 | 10 | 18 | 4 | 80 | 4.9 |
| DH61F-64P-100P-160P-320P | 15 | 120 | 10 | 22 | 4 | 85 | 5.3 |
| DH61F-64P-100P-160P-320P | 20 | 120 | 12 | 28 | 4 | 105 | 6.3 |
| DH61F-64P-100P-160P-320P | 25 | 150 | 12 | 34 | 4.5 | 110 | 6.9 |
| DH61F-64P-100P-160P-320P | 40 | 180 | 15 | 49 | 4.5 | 165 | 15.1 |
| DH61F-64P-100P-160P-320P | 50 | 200 | 15 | 61 | 5 | 180 | 18.5 |
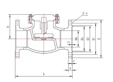
| 产品型号 | DH41F-16P-40P低温止回阀 |
重量 (kg) |
||||||||||
| 产品代号 |
通径 DN(mm) |
尺寸(mm) | ||||||||||
| L | H | D | D1 | D2 | D6 | Z-Ф | b | f | f1 | |||
| DH41F-16P-25P-40P | 65 | 290 | 110 | 180 | 145 | 120 | 110 | 8-18 | 22 | 3 | 4 | 15.8 |
| DH41F-16P-25P-40P | 80 | 310 | 135 | 195 | 160 | 135 | 121 | 8-18 | 22 | 3 | 4 | 25.2 |
| DH41F-16P-25P-40P | 100 | 350 | 150 | 230 | 190 | 160 | 150 | 8-23 | 24 | 3 | 4 | 35.6 |
| DH41F-16P-25P-40P | 125 | 400 | 175 | 270 | 220 | 188 | 176 | 8-25 | 28 | 3 | 4 | 47.7 |
| DH41F-16P-25P-40P | 150 | 480 | 200 | 300 | 250 | 218 | 204 | 8-25 | 30 | 3 | 4 | 61.5 |
| DH41F-16P-25P-40P | 200 | 600 | 235 | 375 | 320 | 282 | 260 | 12-30 | 38 | 3 | 4 | 87.8 |
声明:【DH61Y,DH61F低温止回阀】规格型号、结构尺寸由上海凯利科阀门有限公司提供,如何选择适用的DH61Y,DH61F低温止回阀产品,使之在工艺控制中安全可靠、经济适用,可致电我司销售部门及技术部门,我们将在最短的时间内为您解答! |