H41H,H41W升降式止回阀
H41H、H41W升降式止回阀广泛适用于公称压力PN1.6~10.0MPa,工作温度-29~550℃的石油、化工、火力电站等各种工况的管路上,适用介质为:水、油品、蒸汽等。其主要作用是防止介质倒流、防止泵及其驱动电机机反转,以及容器内介质的泄放。
|
产品名称: |
升降式止回阀 |
产品型号: |
H41H、H41W |
|
公称通径: |
DN15~DN300 |
结构形式: |
升降式 |
|
公称压力: |
1.6MPa~10.0MPa |
连接方式: |
焊接、法兰 |
|
适用温度: |
-29ºC~+550ºC |
驱动方式: |
介质推动 |
|
阀体材质: |
铸钢、不锈钢 |
标准: |
国标GB、德国DIN、美国API、ANSI |
|
适用介质: |
水、油、蒸汽 |
生产厂家: |
上海凯利科阀门有限公司 |
产品说明
H41H、H41W升降式止回阀广泛适用于公称压力PN1.6~10.0MPa,工作温度-29~550℃的石油、化工、火力电站等各种工况的管路上,适用介质为:水、油品、蒸汽等。其主要作用是防止介质倒流、防止泵及其驱动电机机反转,以及容器内介质的泄放。
结构特点
1、产品结构紧凑合理、密封可靠、性能优良。
2、体积小、重量轻。
3、适用范围广。
4、阀瓣关闭快速、动作灵敏。
5、关闭冲击力小、不易产生水锤现象。
6、流道通畅、流体阻力小。
零件材料
|
零件名称 |
材料牌名 |
|
阀体 |
WCB |
ZGCr5Mo |
ZG1Cr18Ni9Ti |
ZG1Cr18Ni12Mo2Ti |
|
阀盖 |
WCB |
ZGCr5Mo |
ZG1Cr18Ni9Ti |
ZG1Cr18Ni12Mo2Ti |
|
阀瓣 |
WCB |
ZGCr5Mo |
ZG1Cr18Ni9Ti |
ZG1Cr18Ni12Mo2Ti |
|
垫片 |
石墨缠绕垫片 |
石墨缠绕垫片 |
聚四氟乙稀缠绕垫片 |
聚四氟乙稀缠绕垫片 |
技术参数
|
公称压力 |
壳体材料 |
试验压力(Mpa) |
|
PN(MPa) |
WCB |
ZGCr5Mo(C5) |
ZG1Cr18Ni9Ti |
ZG1Cr18Ni12Mo2Ti |
强度试验 |
液体密封 |
|
1.6 |
H41H-16C |
H41Y-16I |
H41W-16P |
H41W-16R |
2.4 |
1.8 |
|
2.5 |
H41H-25 |
H41Y-25I |
H41W-25P |
H41W-25R |
3.8 |
2.8 |
|
4.0 |
H41H-40 |
H41Y-40I |
H41W-40P |
H41W-40R |
6.0 |
4.4 |
|
6.4 |
H41H-64 |
H41Y-64I |
H41W-64P |
H41W-64R |
9.6 |
7.1 |
|
10.0 |
H41H-100 |
H41Y-100I |
H41W-100P |
H41W-100R |
15.0 |
11.0 |
|
适用温度 |
-29-425℃ |
≤550℃ |
-40-200℃ |
-40-200℃ |
超出温度范围,请订货时注明 |
|
适用介质 |
水蒸气、油品等 |
硝酸等 |
醋酸等 |
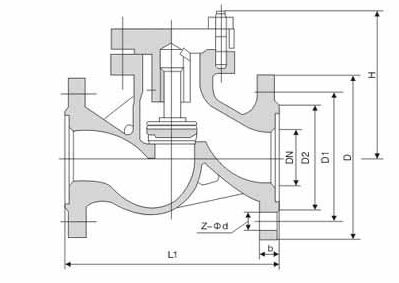
外形结构图
主要外形尺寸
|
型号 |
公称通径 |
尺寸(mm) |
|
DN(mm) |
L |
D |
D1 |
D2 |
D6 |
b |
Z-φd |
H |
|
H41H-16C |
15 |
130 |
95 |
65 |
45 |
|
14 |
4-14 |
77 |
|
20 |
150 |
105 |
75 |
55 |
|
14 |
4-14 |
80 |
|
25 |
160 |
115 |
85 |
65 |
|
14 |
4-14 |
85 |
|
32 |
180 |
135 |
100 |
75 |
|
16 |
4-18 |
95 |
|
40 |
200 |
145 |
110 |
85 |
|
16 |
4-18 |
105 |
|
50 |
230 |
160 |
125 |
100 |
|
16 |
4-18 |
120 |
|
65 |
290 |
180 |
145 |
120 |
|
18 |
8-18 |
130 |
|
80 |
310 |
195 |
160 |
135 |
|
20 |
8-18 |
140 |
|
100 |
350 |
215 |
180 |
155 |
|
20 |
8-18 |
155 |
|
125 |
400 |
245 |
210 |
185 |
|
22 |
8-18 |
180 |
|
150 |
480 |
280 |
240 |
210 |
|
24 |
8-23 |
215 |
|
200 |
600 |
335 |
295 |
265 |
|
26 |
12-23 |
260 |
|
250 |
730 |
405 |
355 |
320 |
|
30 |
12-25 |
315 |
|
H41H-25 |
15 |
130 |
95 |
65 |
45 |
|
16 |
4-14 |
100 |
|
20 |
150 |
105 |
75 |
55 |
|
16 |
4-14 |
105 |
|
25 |
160 |
115 |
85 |
65 |
|
16 |
4-14 |
120 |
|
32 |
180 |
135 |
100 |
78 |
|
18 |
4-18 |
130 |
|
40 |
200 |
145 |
110 |
85 |
|
18 |
4-18 |
135 |
|
50 |
230 |
160 |
125 |
100 |
|
20 |
4-18 |
149 |
|
65 |
290 |
180 |
145 |
120 |
|
22 |
8-18 |
160 |
|
80 |
310 |
195 |
160 |
135 |
|
22 |
8-18 |
170 |
|
100 |
350 |
230 |
190 |
160 |
|
24 |
8-23 |
194 |
|
125 |
400 |
270 |
220 |
188 |
|
28 |
8-25 |
222 |
|
150 |
480 |
300 |
250 |
218 |
|
30 |
8-25 |
255 |
|
200 |
600 |
360 |
310 |
278 |
|
34 |
12-25 |
312 |
|
H41H-40 |
15 |
130 |
95 |
65 |
45 |
40 |
16 |
4-14 |
80 |
|
20 |
150 |
105 |
75 |
55 |
51 |
16 |
4-14 |
100 |
|
25 |
160 |
115 |
85 |
65 |
58 |
16 |
4-14 |
110 |
|
32 |
180 |
135 |
100 |
78 |
66 |
18 |
4-18 |
120 |
|
40 |
200 |
145 |
110 |
85 |
76 |
18 |
4-18 |
140 |
|
50 |
230 |
160 |
125 |
100 |
88 |
20 |
4-18 |
145 |
|
65 |
290 |
180 |
145 |
120 |
110 |
22 |
8-18 |
160 |
|
80 |
310 |
195 |
160 |
135 |
121 |
22 |
8-18 |
170 |
|
100 |
350 |
230 |
190 |
160 |
150 |
24 |
8-23 |
195 |
|
125 |
400 |
270 |
220 |
188 |
176 |
28 |
8-25 |
225 |
|
150 |
480 |
300 |
250 |
218 |
204 |
30 |
8-23 |
255 |
|
200 |
600 |
375 |
320 |
282 |
260 |
38 |
12-30 |
318 |
|
H41H-64 |
15 |
170 |
105 |
75 |
55 |
40 |
20 |
4-14 |
75 |
|
20 |
190 |
125 |
90 |
68 |
51 |
22 |
4-18 |
110 |
|
25 |
210 |
135 |
100 |
78 |
58 |
24 |
4-18 |
125 |
|
32 |
230 |
150 |
110 |
82 |
66 |
24 |
4-23 |
152 |
|
40 |
260 |
165 |
125 |
95 |
76 |
24 |
4-23 |
168 |
|
50 |
300 |
175 |
135 |
105 |
88 |
26 |
4-23 |
170 |
|
65 |
340 |
200 |
160 |
130 |
110 |
28 |
8-23 |
188 |
|
80 |
380 |
210 |
170 |
140 |
121 |
30 |
8-23 |
205 |
|
100 |
430 |
250 |
200 |
168 |
150 |
32 |
8-25 |
230 |
|
H41H-100 |
15 |
170 |
105 |
75 |
55 |
40 |
20 |
4-14 |
100 |
|
20 |
190 |
125 |
90 |
68 |
51 |
22 |
4-18 |
110 |
|
25 |
210 |
135 |
100 |
78 |
58 |
24 |
4-18 |
125 |
|
32 |
230 |
150 |
110 |
82 |
66 |
24 |
4-23 |
140 |
|
40 |
260 |
165 |
125 |
95 |
76 |
26 |
4-23 |
170 |
|
50 |
300 |
195 |
145 |
112 |
88 |
38 |
8-25 |
185 |
|
65 |
340 |
220 |
170 |
138 |
110 |
32 |
8-25 |
200 |
|
80 |
380 |
230 |
180 |
148 |
121 |
34 |
8-25 |
235 |
安装维护
1、本阀门通路两端须堵塞,存在干燥通风的室内。如长期存放,应经常检查防锈蚀。
2、安装前应将阀门清洗干净,并消除在运输过程中造成的缺陷。
3、安装时必须仔细核对阀门上的标志和铭牌是否符合使用要求。
4、升降式垂直瓣止回阀应安装在垂直管道上。
5、升降式水平瓣止回阀应安装在水平管道上。
6、在管线中不要使止回阀承受重量,大型的止回阀应独立支撑,使之不受管系产生的压力的影响。
7、安装止回阀时,应特别注意介质流动方向,应使介质正常流动方向与阀体上指示的箭头方向相一致,否则就会截断介质的正常流动。底阀应安装在水泵吸水管路的底端。
8、通式升降式止回阀应安装于水平管路上,立式升降式止回阀和底阀一般安装在垂直管路上,并且介质自下而上流动。
9、止回阀关闭时,会在管路中产生水锤压力,严重时会导致阀门、管路或设备的损坏,尤其对于大口管路或高压管路,故应引起止回阀选用者的高度注意。
声明:【H41H,H41W升降式止回阀】规格型号、结构尺寸由上海凯利科阀门有限公司提供,如何选择适用的H41H,H41W升降式止回阀产品,使之在工艺控制中安全可靠、经济适用,可致电我司销售部门及技术部门,我们将在最短的时间内为您解答! |