首页
公司介绍
新闻中心
组织机构
服务理念
售后服务
联系我们
产品中心
jtgk.png

产品中心

ZCS水用电磁阀

您的位置:阀门 - 电磁阀 - ZCS水用电磁阀 更新时间:2024-07-27 09:07:40
ZCS水用电磁阀
    • 质量安全:压力、材质、密封等全方位检测确保质量过关!
    • 价格比较:在相同品质的情况下,厂里直销,更具有优势!
    • 交货快捷:常规产品现货供应,生产加工销售一条龙服务!
      上海凯利科阀门竭诚为您提供安全可靠的ZCS水用电磁阀成套技术方案,以及售前选型报价,售后技术指导、安装、调试服务!

    • 产品描述
    • 在线询价
    • 技术咨询
    ZCS水用电磁阀ZCS水用电磁阀

    ZCS水用电磁阀适用于以水或液体为工业介质,可自动化控制或远程控制水、油、液体等工作介质管路的通断。ZCS电磁阀采用橡胶密封,故对工作介质的清洁度大大降低,具有启闭迅速,可靠性高等特点。

    产品名称: 水用电磁阀 产品型号: ZCS
    公称通径: DN15~DN300 结构形式: 膜片式
    公称压力: 1.0MPa~1.6MPa 连接方式: 法兰、螺纹
    适用温度: -5ºC~+80ºC 驱动方式: 电磁动
    阀体材质: 铸铁、铸钢、不锈钢 制造标准: 国标GB、德国DIN、美国API、ANSI
    适用介质: 水、给排水 生产厂家: 上海凯利科阀门有限公司

    产品说明

    ZCS水用电磁阀适用于以水或液体为工业介质,可自动化控制或远程控制水、油、液体等工作介质管路的通断。ZCS电磁阀采用橡胶密封,故对工作介质的清洁度大大降低,具有启闭迅速,可靠性高等特点。

    结构原理

    ZCS水用电磁阀为膜片一次开阀的先导式电磁阀,其结构主要由副阀和主阀组成。根据断电时所处状态的不同,可分为常闭电磁阀和常开电磁阀。
    常闭:常位时,活动铁 芯封住副阀口,阀腔内压力平衡,副阀、主阀口封闭。当线圈通电,产生电磁力将活动铁芯吸上,副阀打开,主阀腔内的介质自导阀口外泄,以致主阀膜片上下产生 压力差,膜片被迅速托起,主阀口开启,阀呈通路状态。当线圈断电,磁场消失,活动铁芯复位,封闭副阀口,继而副阀膜片上腔压力上升,主阀膜片压向阀座,阀又呈关闭状态。
    常开:当线圈通电时,产生磁场力,衔铁在磁力作用下下移,推动副阀阀杯下移,副阀关闭。随着主阀阀内上下压差趋向相等,主阀膜片由弹簧及自重压向密封 阀门关闭。当线圈断电后,磁力为零,衔铁和副阀阀环由于弹簧作用上升,副阀打开,主阀膜片上腔内介质经副阀流走、压力下降,当压力降到一定值后,主阀由上 下压差作用向上升起,主阀打开,阀门开启。 

    技术参数

    公称通径(mm) 15 20 25 32 40 50 65 80 100 125 150 200 250 300
    工作介质 液体、水、≤ΟE、及其他非腐蚀性流体
    功耗VA 17 30
    阀体材质  铜  不锈钢 铸铁
    流量系数Kv值 2.8 5 8.5 12 18 28 45 70 110 180 250 600 870 1000
    动作方式 常开常闭
    型式 先导式
    介质温度(℃) -5~80 -50~60
    工作压力(Mpa) 0.05~1.0 0.1~1.0 0.15~1.0
    额定电压 AC220V·DC24V其余规格可作特殊订货

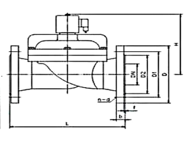
    外形结构图

     

    主要外形尺寸

    公称通径DN 内螺纹连接 法兰连接
    内螺纹 外形尺寸 外形尺寸 法兰尺寸
    G H L H L D D1 D2 n-d b f
    15 1/2″ 105 90                
    20 3/4″ 114 100                
    25 1″ 138 120 130 160 115 85 65 4- 14 16 3
    32 11/4″ 151 137 137 180 140 100 76 4- 18 18 3
    40 11/2″ 155 145 152 200 150 110 84 4- 18 18 3
    50 2″ 187 188 152 230 165 125 99 4- 18 20 3
    65       222 290 185 145 118 4- 18 20 3
    80       239 310 200 160 132 8- 18 20 3
    100       255 350 220 180 156 8- 18 22 3
    125       416 360 250 210 184 8- 18 22 3
    150       440 400 285 240 211 8- 22 24 3
    200       443 600 340 295 266 8- 22 24 3
    250       493 750 395 350 319 12- 22 26 3
    300       549 850 445 400 370 12-φ22 26 4
     

    声明:【ZCS水用电磁阀】规格型号、结构尺寸由上海凯利科阀门有限公司提供,如何选择适用的ZCS水用电磁阀产品,使之在工艺控制中安全可靠、经济适用,可致电我司销售部门及技术部门,我们将在最短的时间内为您解答!

    Copyright ©2011-2022 上海凯利科阀门有限公司,版权所有。 沪ICP备11046016号-29 网站地图

    销售电话:021-31001158

    手机号码:13816746668 陈国辉/经理

    电子邮件:klkvalves@126.com@126.com

    主营产品:球阀,闸阀,蝶阀,截止阀,止回阀,调节阀

    本周热门:气动球阀气动蝶阀气动刀闸阀气动调节阀电动球阀电动蝶阀电动刀闸阀电动调节阀不锈钢球阀不锈钢闸阀不锈钢截止阀不锈钢止回阀不锈钢电磁阀高压电磁阀高压球阀波纹管截止阀

    官方网址:www.fm058.com