首页
公司介绍
新闻中心
组织机构
服务理念
售后服务
联系我们
产品中心
jtgk.png

产品中心

KHP,PKH高压板式球阀

您的位置:阀门 - 球阀 - KHP,PKH高压板式球阀 更新时间:2024-07-27 09:07:50
KHP,PKH高压板式球阀
    • 质量安全:压力、材质、密封等全方位检测确保质量过关!
    • 价格比较:在相同品质的情况下,厂里直销,更具有优势!
    • 交货快捷:常规产品现货供应,生产加工销售一条龙服务!
      上海凯利科阀门竭诚为您提供安全可靠的KHP,PKH高压板式球阀成套技术方案,以及售前选型报价,售后技术指导、安装、调试服务!

    • 产品描述
    • 在线询价
    • 技术咨询
    KHP,PKH高压板式球阀KHP,PKH高压板式球阀

    KHP、PKH高压板式球阀适用于液压系统和化工系统的各种管路上做为启闭用。开关迅速、方便,流体阻力小,是所有阀类中流体阻力最小的一种只要阀杆转动90°,球阀就完成了全开或全关动作,很容易实现快速启闭。阀杆密封可靠。球阀启闭时阀杆只作旋转运动,因此阀杆的填料密封不易被破坏,而且阀杆倒密封的密封力随着介质压力的增加而增大。适用介质:液压油、水一乙二醇、其它混合液体。

    产品名称: 板式高压球阀 产品型号: KHP、PKH
    公称通径: DN16~DN50 结构形式: 球形
    公称压力: 31.5Mpa~40.0Mpa~50.0Mpa 连接方式: 螺纹
    适用温度: -20~+100℃~+170℃ 驱动方式: 手动
    阀体材质: 铸钢、不锈钢 制造标准: 国标GB、德国DIN、美国API、ANSI
    适用介质: 水、油、气 生产厂家: 上海凯利科阀门有限公司

    产品说明

    KHP、PKH高压板式球阀适用于液压系统和化工系统的各种管路上做为启闭用。开关迅速、方便,流体阻力小,是所有阀类中流体阻力最小的一种只要阀杆转动90°,球阀就完成了全开或全关动作,很容易实现快速启闭。阀杆密封可靠。球阀启闭时阀杆只作旋转运动,因此阀杆的填料密封不易被破坏,而且阀杆倒密封的密封力随着介质压力的增加而增大。适用介质:液压油、水一乙二醇、其它混合液体。

    产品特点

    KHP、PKH高压板式球阀是我公司引进德国先进技术工艺,主要用于液压管路中控制油液的流通和截止,本型球阀具有流阻损失小,密封性能可靠,操作方便,外观精美等特点。 

    图形符号

     

    型号说明

     
    系列代号:KHP、PKH系列高压板式球阀
    ②公称通径:6、10、16、20、25、32、40、50mm
    ③阀体材料:1-钢
    ④球体材料:1-钢、2-黄铜
    ⑤工作温度:1、-25~+100℃ 2、-30~+170℃
    ⑥其他密封:2-丁晴橡胶、4-氟橡胶
    ⑦ 手柄形式:01-铝质直柄02-铝质曲柄03-铸锌直柄04-铸锌曲柄05-钢质直柄06-钢质曲柄09-不带手柄
    ⑧设计序号:由生产商

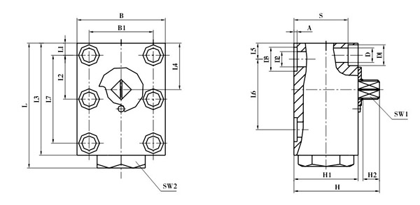
    外形结构图

     

    主要外形尺寸表

    简略型号 DN LW L L1 L2 L3 L4 L5 L6 L7 B B1
    KHP-06 06 06 64 8.5 17.5 59 25 8.5 35 35 40 27
    KHP-10 10 9.5 77 7.5 27.5 70 29 10 44 55 55 40
    KHP-16 16 16 110 8.5 41.5 100 43 17 58 83 60 45
    KHP-20 20 20 126 10 48.5 117 54 20 69 97 70 51
    KHP-25 25 23.5 145 10 57.5 135 64.5 24 81 115 80 60
    KHP-32 32 30 177 12 68 165 75.5 29 96 136 100 78
    KHP-40 40 38 200 30 56 185 80 30 112 112 130 95
    KHP-50 50 48 245 38 68 220 106 38 136 136 149 112

     主要外形尺寸表

    简略型号 SW1 SW2 H H1 H2 D D1 D2 D3 A S O 形圈
    KHP-06 09 22 37.5 30 7 6.6 11 6 11.7 1.6 23 8×2
    KHP-10 09 30 58 40 8.5 9 13 9.5 15 2 31 10×2.6
    KHP-16 09 41 72.5 52 11 9 13 16 25 2 43 20.29×2.62
    KHP-20 12 41 88.5 60 11 10.5 16.5 20 30 2.5 50 23.39×3.53
    KHP-25 12 46 97.5 65 11 10.5 17 23.5 35 2.5 55 28.17×3.53
    KHP-32 14 55 118.5 80 12 13 19 30 40 2.5 67 32.92×3.53
    KHP-40 14 65 118.5 93 12 17 25 38 48 3 77 42×3.5
    KHP-50 14 129 110 12 22 33 48 55.4 2.9 88.5 49×3.5

     主要外形尺寸表

    简略型号 内六角螺栓DIN912 扭距 Nm(摩擦系数μ=0.14时)
    KHP-06 M6-10.9 13
    KHP-10 M8-10.9 30
    KHP-16 M8-12.9 35
    KHP-20 M8-12.9 60
    KHP-25 M10-12.9 60
    KHP-32 M12-12.9 110
    KHP-40 M16-12.9 300
    KHP-50 M20-12.9 600
     

    声明:【KHP,PKH高压板式球阀】规格型号、结构尺寸由上海凯利科阀门有限公司提供,如何选择适用的KHP,PKH高压板式球阀产品,使之在工艺控制中安全可靠、经济适用,可致电我司销售部门及技术部门,我们将在最短的时间内为您解答!

    Copyright ©2011-2022 上海凯利科阀门有限公司,版权所有。 沪ICP备11046016号-29 网站地图

    销售电话:021-31001158

    手机号码:13816746668 陈国辉/经理

    电子邮件:klkvalves@126.com@126.com

    主营产品:球阀,闸阀,蝶阀,截止阀,止回阀,调节阀

    本周热门:气动球阀气动蝶阀气动刀闸阀气动调节阀电动球阀电动蝶阀电动刀闸阀电动调节阀不锈钢球阀不锈钢闸阀不锈钢截止阀不锈钢止回阀不锈钢电磁阀高压电磁阀高压球阀波纹管截止阀

    官方网址:www.fm058.com