



GID电动真空蝶阀
GID电动真空蝶阀采用回转型电动、电子调节式阀门驱动装置,可以通过外接电源的切换(用手动转位开关或电脑控制)或外部输入信号,来实现阀门开、关或中间位置的控制,从而达到接通或切断真空管路中气流的目的。用于接通或切断真空管路中的气流。
| 产品名称: | 电动真空蝶阀 | 产品型号: | GID |
| 公称通径: | DN40~DN1200 | 阀座密封: | 氟橡胶、丁晴橡胶、金属座 |
| 公称压力: | 2x105~1.3×10-5Pa | 连接方式: | 对夹式 |
| 适用温度: | -30ºC~+150ºC | 驱动方式: | 手动、电动、气动 |
| 阀体材质: | 铸钢、不锈钢、316、316L | 制造标准: | 国标GB、德国DIN、美国API、ANSI |
| 适用介质: | 空气 | 生产厂家: | 上海凯利科阀门有限公司 |
| 适用范围(Pa) | 10-5~1.3x10-5Pa |
| 阀门漏率(Pa.L/S) | ≤1.3x10-6 |
| 开闭时间(S) | DN≤63 20S;80≤DN≤200 30S; DN≥250 48S |
| 介质温度(℃) |
-25~+80(密封材料为丁腈橡胶) -30~+150(密封材料为氟橡胶) |
| 法兰标准 | JB919 |
| 安装位置 | 任意 |
| 控制电路 |
标准出厂:AC220V/50Hz开关型 特殊指定:AC380V;DC24V开关型 4~20mA DC调节型 |
| 信号反馈 |
标准出厂:带无源触点型 特殊指定:4~20mA DC调节型 |
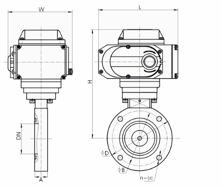
| 型号 | DN | D | Do | D1 | B | H | B1 | L | n-φc |
| GID-40 | 40 | 85 | 70 | 44 | 22 | 162 | 90 | 104 | 4-φ7 |
| GID-50 | 50 | 110 | 90 | 55 | 22 | 175 | 90 | 104 | 4-φ7 |
| GID-65 | 65 | 125 | 105 | 70 | 26 | 198 | 102 | 140 | 4-φ9 |
| GID-80 | 80 | 145 | 125 | 85 | 30 | 208 | 102 | 140 | 4-φ9 |
| GID-100 | 100 | 170 | 145 | 105 | 30 | 220 | 102 | 140 | 4-φ12 |
| GID-150 | 150 | 220 | 195 | 156 | 35 | 272 | 115 | 164 | 8-φ12 |
| GID-200 | 200 | 275 | 250 | 208 | 40 | 330 | 205 | 190 | 8-φ12 |
| GID-250 | 250 | 330 | 300 | 258 | 45 | 335 | 205 | 190 | 8-φ14 |
| GID-300 | 300 | 380 | 350 | 308 | 55 | 426 | 152 | 247 | 8-φ14 |
| GID-400 | 400 | 500 | 465 | 410 | 60 | 520 | 180 | 308 | 8-φ18 |
| GID-500 | 500 | 600 | 565 | 510 | 80 | 643 | 220 | 378 | 12-φ18 |
| GID-600 | 600 | 710 | 670 | 610 | 100 | 760 | 270 | 524 | 12-φ21 |
| GID-800 | 800 | 920 | 815 | 815 | 130 | 962 | 320 | 648 | 20-φ21 |
| GID-1200 | 1200 | 1440 | 1280 | 1280 | 150 | 1360 | 385 | 1480 | 36-φ19 |
声明:【GID电动真空蝶阀】规格型号、结构尺寸由上海凯利科阀门有限公司提供,如何选择适用的GID电动真空蝶阀产品,使之在工艺控制中安全可靠、经济适用,可致电我司销售部门及技术部门,我们将在最短的时间内为您解答! |