



GIQ气动真空蝶阀
GIQ气动真空蝶阀以压缩空气为动力,通过电磁换向阀改变气路方向,推动活塞齿条、齿轮的机械运动,以角行程输出扭矩来驱动蝶阀,作启闭运动,从而达到接通或切断真空管路中气流的目的。是目前一种新型的气动执行器控制的气动真空蝶阀,分为双作用和单作用(弹簧复位)气缸。
| 产品名称: | 气动真空蝶阀 | 产品型号: | GIQ |
| 公称通径: | DN40~DN1200 | 阀座密封: | 氟橡胶、丁晴橡胶、金属座 |
| 公称压力: | 2x105~1.3×10-5Pa | 连接方式: | 对夹式 |
| 适用温度: | -30ºC~+150ºC | 驱动方式: | 手动、电动、气动 |
| 阀体材质: | 铸钢、不锈钢、316、316L | 制造标准: | 国标GB、德国DIN、美国API、ANSI |
| 适用介质: | 空气 | 生产厂家: | 上海凯利科阀门有限公司 |
| 适用范围(Pa) | 2x105~1.3x10-5 |
| 阀门漏率(Pa.L/S) | ≤1.3x10-6 |
| 介质温度(℃) |
-25~+80(密封材料为丁腈橡胶) -30~+150(密封材料为氟橡胶) |
| 气源压力(MPa) | 0.4~0.6 |
| 法兰标准 | GB/T6070 |
| 安装位置 | 任意 |
| 电源电压 |
标准出厂:AC220V/50Hz 特殊指定:AC110V;DC24V;DC12V等 |
| 信号反馈 |
标准出厂:阀位指示器 特殊指定:微动开关;智能型4~20mA DC |
| 气缸可选 |
标准出厂:双作用式 特殊指定:单作用式(有弹簧返回) 可选常开或常闭 |
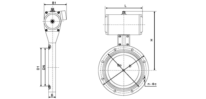
| 型号 | DN | D | Do | D1 | B | H | B1 | L | n-φc |
| GIQ-40 | 40 | 85 | 70 | 44 | 22 | 162 | 90 | 104 | 4-φ7 |
| GIQ-50 | 50 | 110 | 90 | 55 | 22 | 175 | 90 | 104 | 4-φ7 |
| GIQ-65 | 65 | 125 | 105 | 70 | 26 | 198 | 102 | 140 | 4-φ9 |
| GIQ-80 | 80 | 145 | 125 | 85 | 30 | 208 | 102 | 140 | 4-φ9 |
| GIQ-100 | 100 | 170 | 145 | 105 | 30 | 220 | 102 | 140 | 4-φ12 |
| GIQ-150 | 150 | 220 | 195 | 156 | 35 | 272 | 115 | 164 | 8-φ12 |
| GIQ-200 | 200 | 275 | 250 | 208 | 40 | 330 | 205 | 190 | 8-φ12 |
| GIQ-250 | 250 | 330 | 300 | 258 | 45 | 335 | 205 | 190 | 8-φ14 |
| GIQ-300 | 300 | 380 | 350 | 308 | 55 | 426 | 152 | 247 | 8-φ14 |
| GIQ-400 | 400 | 500 | 465 | 410 | 60 | 520 | 180 | 308 | 8-φ18 |
| GIQ-500 | 500 | 600 | 565 | 510 | 80 | 643 | 220 | 378 | 12-φ18 |
| GIQ-600 | 600 | 710 | 670 | 610 | 100 | 760 | 270 | 524 | 12-φ21 |
| GIQ-800 | 800 | 920 | 815 | 815 | 130 | 962 | 320 | 648 | 20-φ21 |
| GIQ-1200 | 1200 | 1440 | 1280 | 1280 | 150 | 1360 | 385 | 1480 | 36-φ19 |
声明:【GIQ气动真空蝶阀】规格型号、结构尺寸由上海凯利科阀门有限公司提供,如何选择适用的GIQ气动真空蝶阀产品,使之在工艺控制中安全可靠、经济适用,可致电我司销售部门及技术部门,我们将在最短的时间内为您解答! |